行业知识

二次交流回路知识及相关注意事项

2023-09-26 10:49:49 万搏体育在线注册,万搏体育(中国)

二次交流回路知识及相关注意事项

二次回路之交流回路

一次设备是重要的,二次设备也是重要的。

在大型的、现代化的电网中,二次设备及其相关回路的重要性更显突出。

图片关键词

在电力系统中,根据电气设备的作用通常将其分为一次设备和二次设备。

1. 一次设备是构成电力系统的主体。它是直接生产、输送与分配电能的设备,包括发电机、变压器、断路器、隔离开关、母线、电缆等。

图片关键词

2. 二次设备是对一次设备进行控制、调节、保护和监测的设备,包括控制设备、继电保护和安全自动装置、测量仪表等。

测量仪表:电能表、电流表、电压表、有功表、无功表、温度表;

保护及自动装置:主变、线路、母线、母联、电容器等保护装置,减载、解列、录波、备自投等自动装置;

自动化监控设备:共用测控、远动通信、各单元测控、自动校时、等设备;

通讯设备:通讯传输、分配、光电转换等设备。

图片关键词

二次回路是将二次设备按照一定的规则连接起来以实现某种技术要求的电气回路。

控制回路:其作用是对一次设备进行“合”、“分”操作。

调节回路:其作用是根据一次设备运行参数的变化,实时在线调节一次设备的工作状态,以满足运行要求。

继电保护和自动装置回路:其作用是根据一次设备和系统的运行状态,判断其发生故障或异常时,自动发出跳闸命令有选择性地切除故障,并发出相应地信号,当故障或异常消失后,快速投入有关断路器(重合闸及备用电源自动投入装置),恢复系统的正常运行。

测量回路:其作用是指示或记录一次设备和系统的运行参数,以便运行人员掌握一次系统的运行情况,同时也是分析电能质量、计算经济指标、了解系统潮流和主设备运行工况的主要依据。

信号回路:其作用是反映一、二次设备的工作状态。

操作电源系统:其作用主要是给控制、保护、信号等设备提供工作电源与操作电源,供结主变冷却、结水与结煤等动力设备,确保发电厂与变电所所有设备正常工作。

图片关键词

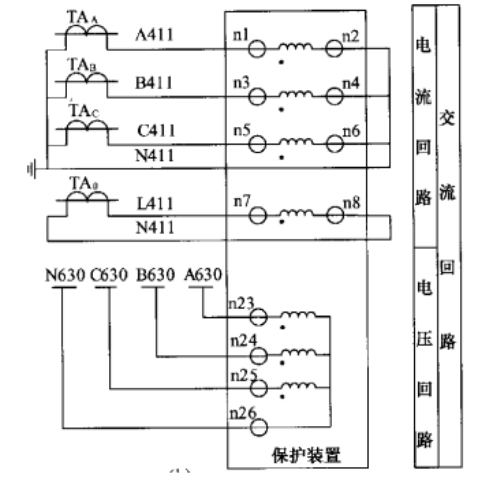
二次回路中电流回路相关注意事项

1、差动保护、方向保护回路CT极性问题减极性原则标注:

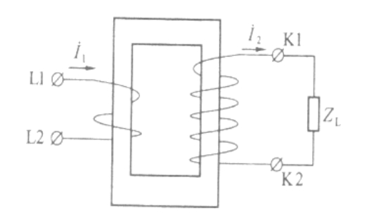
当一次和二次电流同时从互感器一次绕组和二次绕组的同极性端子流入时,它们在铁芯中产生的磁通方向相同。

当一次电流从 L1流入互感器一次绕组时,二次感应电流的规定正方向从K1流出互感器二次绕组。

图片关键词

CT的一、二次侧都有两个引出端子。任何一侧的引出端子用错,都会使二次电流或电压的相位变化180º ,影响测量仪表和继电保护装置的正常工作。


2、准确度等级选用恰当

在变电站中,电流互感器用于三种回路:保护回路、测量回路和计量回路,而这三种回路对电流互感器的准确级要求是不同的。

简单地讲,测量、计量级二次绕组侧重于精度,即误差要小;保护级二次绕组着重于抗饱和能力。

对于计量回路应选用精度较高的0.2S或0.5S级,因为这两个级别的绕组在1%-120%的负荷间能够满足准确度要求。

对于保护级(P)的电流互感器,5P20的含义为:电流互感器一次电流为20倍的额定一次电流时,二次电流的误差不超过5%。


3、CT二次绕组接地问题

电流互感器二次侧只允许一点接地。

当有几组电流互感器的二次回路连接构成一套保护时,宜在保护屏上设一个公用的接地点。

在主变或母差回路中,每个回路应有独立的接地线,各回路间不能通过串接的方式接地。


4、电流二次回路切换

由于电流互感器二次回路不能开路,所以电流二次一般不应设置切换回路,但为了满足运行方式的需要,当确实需要切换时,可以设置大电流切换端子,但应确保在切换时电流互感器二次回路不能开路,切换到各种方式时保证运行中回路的方式与一次方式对应并变比、极性正确,只有一点且只能有一点接地。


电压回路

1.PT电压并列问题

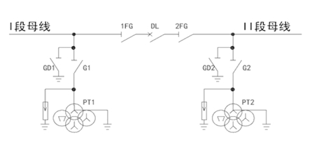
当变压器一次主接线为桥形接线、单母线分段接线等含有分段断路器的接线方式时,两段母线的电压互感器二次电压还应经过并列装置,以使某间隔的二次设备在本段母线电压互感器退出运行而分段断路器投入的情况下,可以从另一段母线的电压互感器的二次绕组获得电压。

图片关键词

注意:一次并列后,二次才可并列。


2.重动

电压互感器的二次电压在进入二次设备之前必须经过重动装置。所谓重动,就是使用一定的控制电路使电压互感器二次绕组的电压状态(有/无)和电压互感器的运行状态(投入/退出)保持对应关系,避免在电压互感器退出运行时,其二次绕组向一次绕组反馈电压,导致造成人身设备事故。


首页
产品
新闻
联系